هاتف : +86 -18159244550 بريد إلكتروني : jony@jyfire.com.cn
هاتف : +86 -18159244550 بريد إلكتروني : jony@jyfire.com.cn
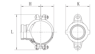
تؤدي وصلة حرف T الميكانيكية الملولبة نفس وظيفة وصلة حرف T الميكانيكية ذات الأخاديد. كلاهما من وصلات الأنابيب الميكانيكية المستخدمة لعمل ثقوب وفروع في الأنابيب الموجودة.
مادة :
Ductile Ironالقطر الطبيعي :
DN50 to DN125ضغط العمل :
300 PSIشهادة :
UL,FMطلب :
Exhaust valves, drain valves, etcالحد الأدنى لكمية الطلب :
200 Piecesموعد التسليم :
15~45 Daysبريد إلكتروني : jony@jyfire.com.cn
مقدمة المنتج

مبدأ عمله هو نفسه تماماً مبدأ عمل النوع ذي الأخاديد:
قم بحفر ثقب مطابق للمواصفات في خط الأنابيب الرئيسي. لفّ وصلة حرف T الميكانيكية ذات النصفين الملولبين حول خط الأنابيب الرئيسي، وثبّتها بالمسامير، واعتمد على الحشية الخاصة الموجودة بداخلها لإحكام إغلاق فتحة خط الأنابيب الرئيسي. اربط أنبوب الفرع (أو وصلة الأنبوب الملولبة) في المنفذ الملولب لمخرج الفرع، واستخدم شريط PTFE أو مادة مانعة للتسرب لضمان إحكام الإغلاق.
مميزات المنتج
1. التوصيل المباشر بالمعدات الملولبة: يمكن ربطها مباشرة بالصمامات والأجهزة وما إلى ذلك.
2. لا حاجة لعملية تشكيل الأخاديد: لا حاجة لعمل أخاديد في نهاية أنبوب الفرع.
3. مناسب لأقطار الأنابيب الصغيرة: من الأنسب استخدامه على الفروع الصغيرة الحجم (مثل 1/2 بوصة، 3/4 بوصة).
معلمة المنتج
| الحجم الاسمي | القطر الخارجي للأنبوب (مم) | ضغط العمل | حجم البراغي | قطر الثقب |
| 2 بوصة × 1 بوصة | 60.3 × 33.7 | 300 رطل لكل بوصة مربعة / 2.07 ميجا باسكال | M10 × 55 | 38 مم / 1.5 بوصة |
| 2 بوصة × 1-1/4 بوصة | 60.3 × 42.4 | M10 × 55 | 51 مم / 2 بوصة | |
| 2 بوصة × 1-1/2 بوصة | 60.3 × 48.3 | M10 × 55 | 51 مم / 2 بوصة | |
| 2-1/2 بوصة × 1 بوصة | 73.0 × 33.7 | M10 × 60 | 38 مم / 1.5 بوصة | |
| 2-1/2 بوصة × 1-1/4 بوصة | 73.0 × 42.4 | M10 × 60 | 51 مم / 2 بوصة | |
| 2-1/2 بوصة × 1-1/2 بوصة | 73.0 × 48.3 | M10 × 60 | 51 مم / 2 بوصة | |
| 3 بوصات × 1 بوصة | 88.9 × 33.7 | M12 × 65 | 38 مم / 1.5 بوصة | |
| 3 بوصات × 1-1/4 بوصة | 88.9 × 42.4 | M12 × 65 | 51 مم / 2 بوصة | |
| 3 بوصات × 1-1/2 بوصة | 88.9 × 48.3 | M12 × 65 | 51 مم / 2 بوصة | |
| 3 بوصة × 2 بوصة | 88.9 × 60.3 | M12 × 65 | 64 مم / 2.5 بوصة | |
| 4 بوصة × 1 بوصة | 114.3 × 33.7 | M12 × 75 | 38 مم / 1.5 بوصة | |
| 4 بوصات × 1-1/4 بوصة | 114.3 × 42.4 | M12 × 75 | 51 مم / 2 بوصة | |
| 4 بوصات × 1-1/2 بوصة | 114.3 × 48.3 | M12 × 75 | 51 مم / 2 بوصة | |
| 4 بوصات × 2 بوصة | 114.3 × 60.3 | M12 × 75 | 64 مم / 2.5 بوصة | |
| 4 بوصات × 2-1/2 بوصة | 114.3 × 73 | M12 × 75 | 70 مم / 2.75 بوصة | |
| 4 بوصة × 3 بوصة | 114.3 × 88.9 | M12 × 75 | 89 مم / 3.5 بوصة | |
| 5 بوصات × 1 بوصة | 141.3 × 33.7 | M16 × 80 | 38 مم / 1.5 بوصة |
التعليمات
س: ما هو الحد الأدنى لكمية الطلب لوصلة حرف T الميكانيكية الملولبة؟
ج: بالنسبة للأحجام القياسية، يكون الحد الأدنى لكمية الطلب عادةً 200 قطعة. أما بالنسبة للأحجام الكبيرة أو المتطلبات الخاصة، فيمكن أن يكون الحد الأدنى لكمية الطلب وحدة واحدة. ونحن على استعداد دائم لتزويد عملائنا بحلول مرنة.
س: ما هي شروط الدفع لديكم؟
ج: ندعم الدفع عن طريق التحويل المصرفي (T/T) والاعتماد المستندي (L/C) وغيرها. كما ندعم الدفع عبر وي تشات أو علي باي.
س: ما هو وقت التسليم؟
ج: يستغرق الإنتاج عادةً من 15 إلى 45 يومًا. أما الطلبات الكبيرة أو الخاصة، فقد تستغرق 60 يومًا أو أكثر. سنزودكم بخطة إنتاج دقيقة بعد تقديم طلبكم.
اتصل بنا
حل متكامل لخراطيم الإطفاء، والرشاشات، والفوهات، والصمامات، ووصلات الأنابيب!
شركة جينيوان لتطوير التكنولوجيا المحدودة
هاتف:86-18159244550 موبايل:18159244550
البريد الإلكتروني: Johny@jyfire.com.cn
إضافة: منطقة تشنغ قونغ للتكنولوجيا، المرحلة 3، مدينة شيمي، مدينة نانآن تشيوانتشو
العلامات الساخنة :
ترك رسالة
مسح ضوئي إلى WeChat :
مسح ضوئي إلى WhatsApp :