هاتف : +86 -18159244550 بريد إلكتروني : jony@jyfire.com.cn
هاتف : +86 -18159244550 بريد إلكتروني : jony@jyfire.com.cn
يعد هذا المنتج مكونًا أساسيًا في أنظمة الحماية من الحرائق الحديثة، حيث يجمع بين التحكم في تدفق صمام الفراشة مع قدرة المراقبة لمفتاح كهربائي لتوفير ردود فعل الحالة في الوقت الفعلي.
مادة :
Ductile Ironالقطر الطبيعي :
DN50 to DN300اتصال :
Waferضغط العمل :
PN10 PN16 PN25يكتب :
Butterfly Valveطلب :
Fire sprinkler systme,Fire hydrant system etc.الحد الأدنى لكمية الطلب :
20 Setsموعد التسليم :
15~45 Daysبريد إلكتروني : jony@jyfire.com.cn
وصف المنتج

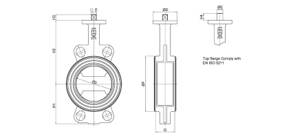
صمام فراشة الإشارة من نوع الرقاقة هو صمام ذكي للحماية من الحرائق، يجمع بين التحكم في التدفق ومراقبة الحالة والإنذار عن بُعد. وهو ليس مجرد مفتاح لخط الأنابيب، بل هو أيضًا "الحارس" لموثوقية نظام الحماية من الحرائق. لا يحتوي جسم الصمام نفسه على شفة. يُمرر مسمار طويل عبر فتحات المسامير في جسم الصمام لتثبيته بين شفتي الأنبوب. يُوصل جهاز كهروميكانيكي دقيق (عادةً ما يكون مفتاحًا دقيقًا) بجذع الصمام أو مقبضه عبر آلية ربط ميكانيكية.
• عندما يكون الصمام مفتوحًا بالكامل، تقوم وحدة الإشارة بإخراج إشارة "طبيعية" (عادةً لإغلاق أو فتح الدائرة) إلى مركز التحكم في الحرائق.
• بمجرد تحريك الصمام من وضع الفتح الكامل (عادةً بزاوية أكبر من زاوية معينة، مثل 10 درجات)، سيتم تشغيل وحدة الإشارة على الفور لإرسال "إنذار إشرافي" أو "إشارة خطأ" إلى مركز التحكم في الحرائق.
سمات
مراقبة الصمامات المستمرة: تنبيهات فورية إذا لم يكن الصمام مفتوحًا بالكامل.
الامتثال لمعايير NFPA: يلبي متطلبات الكود الخاصة بإشراف الصمام.
تصميم رقاقة توفير المساحة: مثالي للمساحات الضيقة والمشاريع الحساسة للتكلفة.
مفتاح الإشراف القوي: تم تصميمه للحصول على أداء موثوق به في البيئات الصعبة.
التكامل السهل: يسهل الاتصال بلوحات التحكم في إنذار الحريق القياسية.
معلمة المنتج
| البيانات الفنية | |
| مقاس | DN50-DN65-DN80-DN100-DN125-DN150-DN200-DN250-DN300 |
| مادة الجسم | الحديد المطاوع |
| مادة القرص | حديد الدكتايل المغلف بـ EPDM |
| ضغط العمل | PN10 PN16 PN25 |
| نطاق درجة الحرارة | -10 درجة مئوية ~ 100 درجة مئوية |
| معيار | FM/UL |
التعليمات
س: ما هي وظيفتها الرئيسية؟
ج: وظائفها الأساسية هي شقين: الأول هو التحكم في تشغيل وإيقاف تدفق المياه مثل الصمام المشترك ؛ ثانيًا ، يمكنه مراقبة حالة الصمام (مفتوح أو مغلق بشكل أساسي) عن بعد وفي الوقت الفعلي ، وإرسال إشارة إنذار إلى مركز مكافحة الحرائق عندما يتم إغلاق الصمام بشكل غير طبيعي ، مما يضمن أن مصدر مياه الحرائق يكون دائمًا في وضع الاستعداد.
س: كيفية الاختيار بين صمامات الفراشة من النوع الرقاقة وصمامات الفراشة من النوع الشفة مع الإشارات؟
نوع الرقاقة: هيكل مدمج، خفيف الوزن، ومنخفض التكلفة. مناسب للمشاريع ذات المساحة المحدودة والميزانيات المحدودة.
نوع الشفة: يتميز بثبات التوصيل، وأداء إحكام جيد، وسهولة الفك والصيانة. وهو مناسب للاستخدام في حالات الاهتزاز الشديد، وأقطار الأنابيب الكبيرة، أو متطلبات الصيانة العالية.
س: ما هو الحد الأدنى لكمية الطلب لصمام فراشة الرقاقة؟
ج: بالنسبة للأحجام القياسية، عادةً ما يكون الحد الأدنى لكمية الطلب 20 مجموعة. أما بالنسبة للأحجام الكبيرة أو المتطلبات الخاصة، فيمكن أن يكون الحد الأدنى لكمية الطلب وحدة واحدة. نحن دائمًا على استعداد لتزويد عملائنا بحلول مرنة.
س: ما هو وقت التسليم؟
ج: عادةً ما يستغرق الإنتاج من ١٥ إلى ٤٥ يومًا. للطلبات الكبيرة أو الخاصة، قد يستغرق ٦٠ يومًا أو أكثر. سنزودكم بخطة إنتاج دقيقة بعد تقديم طلبكم.
اتصل بنا
حل شامل لخراطيم الحريق، الرشاشات، الفوهات، الصمامات وتجهيزات الأنابيب!
شركة جينيوان لتطوير التكنولوجيا المحدودة
هاتف:86-18159244550 موبايل:18159244550
البريد الإلكتروني:Jony@jyfire.com.cn
إضافة: منطقة تكنولوجيا تشنغ قونغ، المرحلة 3، مدينة شيمي، مدينة نانآن تشيوانتشو
العلامات الساخنة :
ترك رسالة
مسح ضوئي إلى WeChat :
مسح ضوئي إلى WhatsApp :